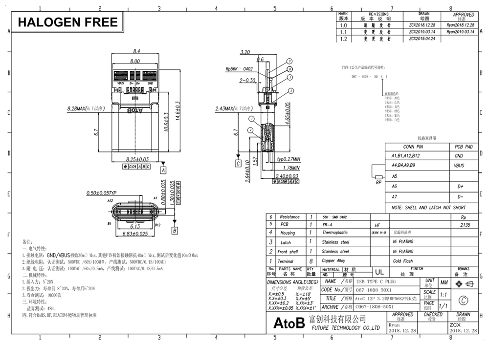
名称 : 2.0CtoA 12P 3.2厚 插PIN
型号 : 067-1808-50X1
规格 : 2.0 C to A 12P插P式3.2厚冲压壳
131C067-1808-50X1(1).pdf 下载(Download)
067-1808-50XX(3).rar 下载(Download)
智能科技Copyright ©2015 AtoB 富创智能科技 粤ICP备12001573号