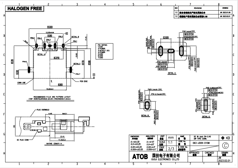
名称 : DC IN JACK CH-2.40 DIP TYPE CONN
型号 : 063-JD09-010M
规格 : 外壳SUS304;PA9T黑色无卤;19PIN端子C2680+C18400,GOLD 8u";
063-JD09-010M-3D.rar 下载(Download)
063-JD09-010M-2D.pdf 下载(Download)
智能科技Copyright ©2015 AtoB 富创智能科技 粤ICP备12001573号